Führungsring F1

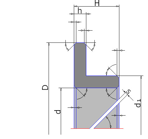
Führungsring F2

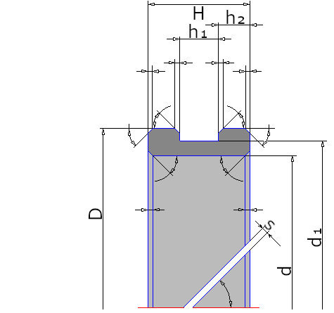
Führungsring F4

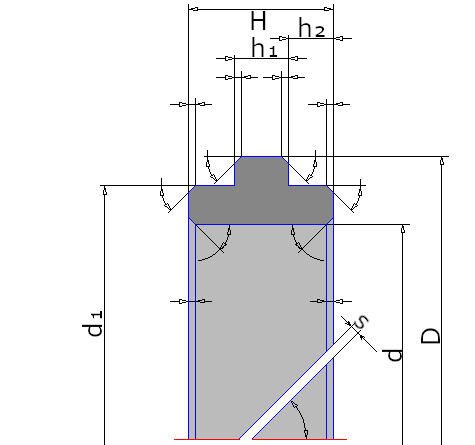
Führungsring F6

Führungsring F7

Führungsring F8

Führungsring F9

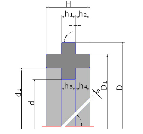
Führungsring F10

Führungsring F11

Zurück zur Übersicht

Sonderdichtung

Mit modernster Fertigungstechnologie und einem hochflexiblen Maschinenpark sind wir
in der Lage, Sonderdichtungen und Präzisionsbauteile durch Zerspanung in nahezu allen
Werkstoffen herzustellen. Unser Leistungsspektrum umfasst die Bearbeitung
unterschiedlichster Materialien – von technischen Kunststoffen und Elastomeren bis hin
zu Hochleistungswerkstoffen.

Durch den Einsatz von CNC-gesteuerten Bearbeitungszentren mit angetriebenen
Werkzeugen realisieren wir komplexe Geometrien, präzise Konturen sowie kombinierte
Dreh- und Fräsbearbeitungen in einem einzigen Fertigungsprozess. Diese Technologie
ermöglicht höchste Maßgenauigkeit, optimale Oberflächenqualitäten und eine
wirtschaftliche Produktion – sowohl für Einzelteile als auch für Klein- und Mittelserien.
Ergänzend zur spanenden Bearbeitung setzen wir moderne Laser- und
Wasserstrahlschneidtechnologie ein. Damit können wir eine Vielzahl unterschiedlichster
Konturen schnell, präzise und materialsparend aus verschiedensten Werkstoffen
fertigen. Selbst filigrane Strukturen und komplexe Geometrien lassen sich so effizient
und reproduzierbar umsetzen.

Zurück zur Übersicht